未来索引
开启左侧

牛人花5万元自装家庭太阳能,以后再也不用交电费了

[复制链接]
邢远 发表于 2015-7-6 23:23:46 | 显示全部楼层 |阅读模式 打印 上一主题 下一主题
一直对太阳能发电很感兴趣,通过上网以及各种渠道学习,研究可行性,计算相关参数下,终于开工了,先晒晒施工图。估计到台风的影响威力,跟制作太阳能板支架的师傅强调要用好的材料,可以抵御12级台风的级别才行,所以不锈钢材都是用加厚的需要订货才行。

image.jpg

整体图,一共是18块200W的单晶硅太阳能电池板,每个板子可以独立拆卸,方便以后维护。

image.jpg

安装之前需要先试好每块板子的螺丝位是否正确,螺丝也是不锈钢的,一劳永逸,不用考虑生锈问题。

image.jpg

做好的支架整体图,待会需要四个人才可以抬起来,非常重

image.jpg

不锈钢支柱底座,也是不锈钢的,开孔非常困难,一共六条支柱。

image.jpg

这个是机柜,一共三层,最上面一层放置逆变主机和太阳能控制器,断路器等开关设备,第二、三层是电池位置,可以放置8个12V 200AH电池

image.jpg

12V 200AH太阳能专用深循环电池,非常重,搬到6楼,手都快断了

image.jpg

预留好开孔位,需要考虑仪表,布线,开关按钮,风扇等

image.jpg

完工效果图

image.jpg


image.jpg

机柜上有输出交流电压,输出交流电流,蓄电池电压,机柜温度,以及对应的按钮,风扇开关,室外LED光管开关等,
还有两个预留开关。

image.jpg

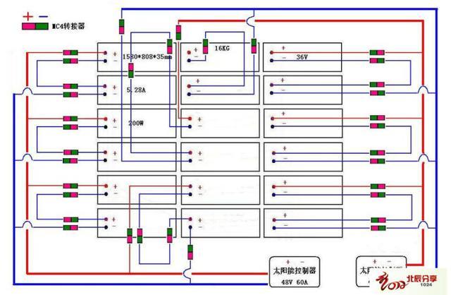
18块太阳能电池板分为两组,一组2串4并,另外一组2串5并,分别接60A太阳能控制器;
以下这个是自己DIY的汇接箱,可以实时直观的看到目前太阳能发电情况,红色的是电压,蓝色的是电流,
红色电压在带负载的情况下可以达到55左右,
空载的时候最高可以达到90左右(11月日照)蓝色电流最高的一组可以达到23A左右(10块板子)

image.jpg

机柜内部情况,黑色的是6000W逆变主机(直流主供型,可以充分利用太阳能发电,蓄电池没有电的情况下会直接切换到市电,
待蓄电池充满又自动切换回逆变供电,切换时候不会有任何感觉,无缝切换),
蓝色那个是双电源自动切换开关,如果关闭逆变主机则会自动切换到市电,这个切换是有时延的,大概1秒左右,断电有感觉。
其它的就是断路器和漏电保护开关。

image.jpg


image.jpg

2个60A的太阳能控制器,具有很详尽的实时数据查看功能,可以了解当前电池电量,温度,充电电流,电池电压,发电安时数,
用电安时数非常好用。
有个8A的开关电源,主要用来提供仪表,机箱风扇,室外LED光管12V直流供电用。几个两相和三相插座是测试用。

image.jpg


image.jpg

双电源切换开关

image.jpg


image.jpg

全景图,中间太阳能电池板之间的接缝考虑到漏水问题,使用了铝箔纤维胶布,可以防晒,防水,而且不容易撕烂,粘性很强。

image.jpg
最下面有水槽,雨天接水可以用来浇菜淋花。

image.jpg

整体结构,比较牢固,应该可以抗击台风。

image.jpg

每块板子都使用MC4专用接口相连,维护便易,走线使用铁线槽较为耐用,线槽下有四条防水LED光管,晚上非常亮

image.jpg

让师傅做了一个梯子,方便攀爬维护

image.jpg

一段时间后太阳能电池板表面会积聚灰尘,从而使发电效率受到影响,需要定期对板子进行清理。
以下是太阳能板子的清理利器(洗车用,带水枪)

image.jpg


image.jpg

清洁后的板子焕然一新(最好选择太阳快下山的时候清理,这时候板子已经凉下来,而且已经不在发电状态)

image.jpg

避雷器的安装
直流避雷器,每路电池板接一个(最好安装在保险丝和断路器后面),地线接机柜即可(要求是接最近的钢架结构)

image.jpg

交流避雷器(图中黄色热缩管包着的就是地线,还没有找师傅焊好接口,只是简单的靠在钢架上)

image.jpg

太阳能直流电表改太阳能电池供电
(直流电流表需要至少DC 4V以上电压供电最多28V,所以不能使用48V的太阳能电池供电只能另外搞两块小板子专门供电。使用开关电源供电晚上没有任何电流经过也是浪费,最重要的是两个直流电流表使用一路开关电源供电容易烧毁,必须分两路电流供电才能稳定。)
附设计图纸以及部分资料(注意广州的太阳能电池最佳角度为16.13度,惠州纬度差不多,我最后定为18.81度)
最佳倾斜角一般和当地的纬度有关,根据具体的情况其增减有所不同,以下可做参考:

image.jpg

一般情况,也有直接取其纬度,或直接加5,加10。

image.jpg


image.jpg


image.jpg


image.jpg


image.jpg


image.jpg


image.jpg

最后总结
一共使用18块200W单晶硅太阳电池板,系统3600W,4个12V 200AH电池,串联成48V,逆变器,是48V 6000W的,可以支撑3台2匹空调同时使用,两层楼所有生活用电、以及网络、监控、自动水泵、楼道灯,都使用此逆变器供电,可以满足日常生活需要。
需要注意的是:
逆变器,可以调节充电电流,如果不想使用市电供电,可以将此电流调节为零,那么,就可以更加充分利用太阳能发电。
4个电池,可以满足一整晚用电,到第二天7、8点,太阳升起,又继续使用太阳能供电、蓄电,不用自己花一分钱电费。
4个电池,还是少了点,考虑到放电过快(两组电池与一组相比,电压稳定许多)和对大功率电器的支撑,现在已经增加到8个电池,一共是200 * 8 = 1600AH(因为逆变器有电池的保护机制,最多可以使用70%,折算起来,大概可以使用到11.2度电),这样可以在没有阳光的情况下,使用1天左右(各个家庭用电情况不同,可以根据自己家庭用电情况增减)。
现在用了几天,4个电池的话,最多发电一天,是11度多,因为没有更多电池充电,也用不了这么多电(8个电池还在测试中)。
整套太阳能发电系统,花去近5万元,其中,不锈钢支架和机柜布线,就花去了16000,还有,就是电池太贵。

该会员没有填写今日想说内容.
高级模式
您需要登录后才可以回帖 登录 | 立即注册

本版积分规则

关注2973

粉丝3242

帖子9944

发布主题
阅读排行 更多
广告位
!jz_fbzt! !jz_sgzt! !jz_xgzt! 快速回复 !jz_sctz! !jz_fhlb! 搜索

智能技术共享平台 - 未来论

关注服务号

进入小程序

全国服务中心:

运维中心:天津

未来之家:天津 青岛 济南 郑州 石家庄

                商务邮箱:xy@mywll.com

Copyright © 2012-2021 未来派 未来论 (津ICP备16000236号-5)